Comenzi pentru produsele din stoc:
Comenzile primite până la ora 15:00: vor fi expediate în aceeași zi.
Comenzile primite după ora 15:00: vor fi expediate în ziua următoare.
Informații suplimentare livrare:
Termenul de livrare poate varia în funcție de locația de livrare (standard: 1-3 zile de la comandă). Costurile de livrare vor fi calculate la finalizarea comenzii.
Motor 4kW 3000rpm: Eficiență și Montaj de Precizie B14
Proiectat pentru aplicații OEM și industriale care necesită o integrare compactă și o viteză mare de intrare, acest motor de 4kW (5.5CP) livrează o turație sincronă de 3000 rpm (2 poli). Elementul său definitoriu este montajul B14 (flanșă mică), care dispune de găuri filetate direct în fața motorului. Această configurație permite o cuplare directă, rigidă și perfect aliniată, fiind soluția ideală pentru:
Reductoare de turație: Oferă o viteză mare de intrare, permițând utilizarea unor rapoarte de reducere mai mari pentru a obține un cuplu ridicat la ieșire.
Pompe hidraulice: Turația de 3000 rpm asigură un debit hidraulic superior.
Ventilatoare și pompe centrifugale: Turația înaltă este perfectă pentru aplicații de debit mare.
Construit pe un gabarit 112M, acest motor combină performanța economică (costuri de operare reduse) cu un design compact. Carcasa de aluminiu asigură o disipare excelentă a căldurii și o greutate redusă, facilitând montajul.
Specificații Tehnice Complete Motor electric trifazat 45kw 3000rpm 225 B5
Categorie
Caracteristică
Valoare
Date Electrice
Putere
4 kW / 5.5 CP
Tensiune de Alimentare
230V(Δ) / 400V(Y), 50Hz
Turație Sincronă
3000 rpm
Turație Nominală
~2900 rpm
Număr Poli
2
Curent Nominal (la 400V)
~7.22 A
Date Mecanice
Gabarit (Mărime Constructivă)
112M
Tip Prindere (Montaj)
B14 (Flanșă mică)
Material Carcasă
Aluminiu
Date de Performanță
Material Bobinaj
Cupru 100%
Grad de Protecție
IP55
Clasă de Izolație
F
Tip Răcire
Autoventilat (IC411)
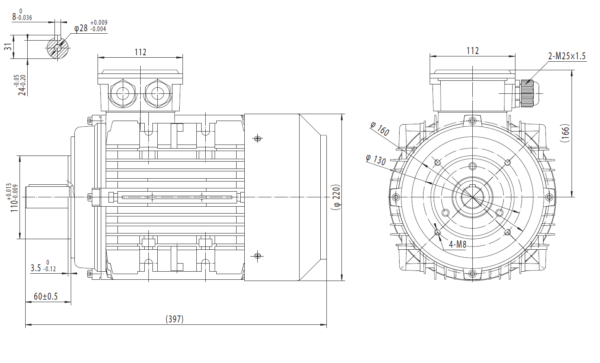
Validare Dimensională (Gabarit 112, Flanșă B14)
Verificați compatibilitatea rapidă folosind dimensiunile critice de montaj conform standardelor IEC.
Cod Standard IEC
Descriere (Dimensiune)
Valoare (mm)
H
Gabarit (Mărime)
112
D
Diametru Ax
28
P
Diametru Exterior Flanșă
160
N
Diametru Centrare
110
M
Diametru Cerc Găuri
130
S
Filet Găuri Montaj
M8
Control și Integrare
Acest motor este echipat cu izolație Clasa F, făcându-l complet compatibil cu majoritatea convertizoarelor de frecvență (invertoare) pentru un control precis al turației și pornire lină. Montajul B14 este proiectat specific pentru cuplarea directă la reductoare și pompe care au o interfață B14 corespunzătoare gabaritului 112.
Acțiunea Dvs: Verificați Schema Tehnică
Fotografiile sunt orientative. Succesul proiectului dumneavoastră depinde de potrivirea dimensională. Vă rugăm să validați dimensiunile flanșei (P=160mm, N=110mm, M=130mm) și ale axului (D=28mm) folosind schema tehnică din galerie înainte de a plasa comanda.
Obține acces la comenzile, lista de dorințe și recomandările tale.
Înscrieți-vă
Datele personale vor fi folosite pentru a-ți susține experiența pe acest site web, pentru a administra accesul la contul tău și pentru alte scopuri descrise în politică de confidențialitate.
Pentru a oferi cea mai bună experiență, folosim tehnologii precum cookie-urile pentru a stoca și/sau accesa informațiile despre dispozitiv. Consimțământul pentru aceste tehnologii ne va permite să procesăm date precum comportamentul de navigare sau ID-uri unice pe acest site. Neconsimțământul sau retragerea consimțământului poate afecta negativ anumite caracteristici și funcții.
Funcționale
Mereu activ
Stocarea tehnică sau accesul sunt strict necesare în scopul legitim de a permite utilizarea unui anumit serviciu solicitat în mod explicit de către abonat sau utilizator, sau în scopul exclusiv de a efectua transmiterea unei comunicări printr-o rețea de comunicații electronice.
Preferințe
Stocarea tehnică sau accesul sunt necesare în scopul legitim de stocare a preferințelor care nu sunt solicitate de abonat sau utilizator.
Statistici
Stocarea tehnică sau accesul care sunt utilizate exclusiv în scopuri statistice.Stocarea tehnică sau accesul care sunt utilizate exclusiv în scopuri statistice anonime. Fără o citație, conformitatea voluntară din partea Furnizorului tău de servicii de internet sau înregistrările suplimentare de la o terță parte, informațiile stocate sau preluate numai în acest scop nu pot fi utilizate de obicei pentru a te identifica.
Marketing
Stocarea tehnică sau accesul sunt necesare pentru a crea profiluri de utilizator pentru a trimite publicitate sau pentru a urmări utilizatorul pe un site web sau pe mai multe site-uri web în scopuri de marketing similare.