Comenzi pentru produsele din stoc:
Comenzile primite până la ora 15:00: vor fi expediate în aceeași zi.
Comenzile primite după ora 15:00: vor fi expediate în ziua următoare.
Informații suplimentare livrare:
Termenul de livrare poate varia în funcție de locația de livrare (standard: 1-3 zile de la comandă). Costurile de livrare vor fi calculate la finalizarea comenzii.
Motor 45kW 3000rpm: Putere Industrială Grea și Stabilitate B3
Acest motor electric trifazat 45kw 3000rpm 225 B3 (60CP) este o unitate de putere industrială grea, proiectată pentru aplicații de mare viteză care necesită un debit masiv . Turația sa sincronă de 3000 rpm (2 poli) îl face soluția perfectă pentru acționarea sarcinilor centrifugale de anvergură, cum ar fi pompele de înaltă presiune , compresoare industriale mari și ventilatoare de debit mare.
Construit pe un gabarit robust 225M, motorul dispune de o carcasă masivă din fontă. Aceasta este o caracteristică esențială pentru a asigura stabilitatea, a amortiza vibrațiile inerente turațiilor înalte și a garanta o răcire eficientă în regim de funcționare continuu (S1). Montajul standard B3 (pe tălpi) oferă o bază solidă și largă pentru fixarea pe batiu, permițând o aliniere precisă și o funcționare fiabilă pe termen lung.
Specificații Tehnice Complete Motor electric trifazat 45kw 3000rpm 225 B3
Categorie
Caracteristică
Valoare
Date Electrice
Putere
45 kW / 60 CP
Tensiune de Alimentare
400V(Δ) / 690V(Y), 50Hz
Turație Sincronă
3000 rpm
Turație Nominală
~2960 – 2970 rpm
Număr Poli
2
Curent Nominal (la 400V)
~78.6 A
Date Mecanice
Gabarit (Mărime Constructivă)
225M
Tip Prindere (Montaj)
B3 (Tălpi)
Material Carcasă
Fontă
Date de Performanță
Material Bobinaj
Cupru 100%
Grad de Protecție
IP55
Clasă de Izolație
F
Tip Răcire
Autoventilat (IC411 / TEFC)
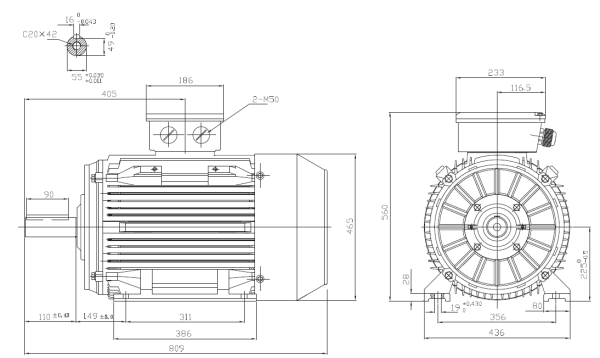
Validare Dimensională (Gabarit 225M, Montaj B3)
Verificați compatibilitatea rapidă folosind dimensiunile critice de montaj conform standardelor IEC.
Cod Standard IEC
Descriere (Dimensiune)
Valoare (mm)
H
Înălțime Gabarit (ax-talpă)
225
D
Diametru Ax
55
A
Distanță găuri (lățime)
356
B
Distanță găuri (lungime)
311
K
Diametru gaură talpă
19 (pentru M16)
E
Lungime Ax
110
Control și Integrare
Atenție – Pornire: Un motor de 45kW are un curent de pornire extrem de ridicat (peste 580A) și nu trebuie pornit direct (DOL). Tensiunea duală 400V/690V este proiectată special pentru a permite pornirea Stea-Triunghi (Y/Δ). Pentru o pornire lină și protecție superioară, se recomandă utilizarea unui soft starter sau a unui convertizor de frecvență (VFD), cu care acest motor este compatibil.
Acțiunea Dvs: Verificați Schema Tehnică
Fotografiile sunt orientative. Succesul proiectului dumneavoastră depinde de potrivirea dimensională. Vă rugăm să validați dimensiunile tălpilor (A=356mm, B=311mm) și înălțimea axului (H=225mm) folosind schema tehnică din galerie pentru a asigura potrivirea perfectă pe batiul (cadrul) existent înainte de a plasa comanda.
Obține acces la comenzile, lista de dorințe și recomandările tale.
Înscrieți-vă
Datele personale vor fi folosite pentru a-ți susține experiența pe acest site web, pentru a administra accesul la contul tău și pentru alte scopuri descrise în politică de confidențialitate.
Pentru a oferi cea mai bună experiență, folosim tehnologii precum cookie-urile pentru a stoca și/sau accesa informațiile despre dispozitiv. Consimțământul pentru aceste tehnologii ne va permite să procesăm date precum comportamentul de navigare sau ID-uri unice pe acest site. Neconsimțământul sau retragerea consimțământului poate afecta negativ anumite caracteristici și funcții.
Funcționale
Mereu activ
Stocarea tehnică sau accesul sunt strict necesare în scopul legitim de a permite utilizarea unui anumit serviciu solicitat în mod explicit de către abonat sau utilizator, sau în scopul exclusiv de a efectua transmiterea unei comunicări printr-o rețea de comunicații electronice.
Preferințe
Stocarea tehnică sau accesul sunt necesare în scopul legitim de stocare a preferințelor care nu sunt solicitate de abonat sau utilizator.
Statistici
Stocarea tehnică sau accesul care sunt utilizate exclusiv în scopuri statistice.Stocarea tehnică sau accesul care sunt utilizate exclusiv în scopuri statistice anonime. Fără o citație, conformitatea voluntară din partea Furnizorului tău de servicii de internet sau înregistrările suplimentare de la o terță parte, informațiile stocate sau preluate numai în acest scop nu pot fi utilizate de obicei pentru a te identifica.
Marketing
Stocarea tehnică sau accesul sunt necesare pentru a crea profiluri de utilizator pentru a trimite publicitate sau pentru a urmări utilizatorul pe un site web sau pe mai multe site-uri web în scopuri de marketing similare.