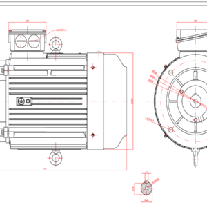
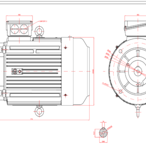
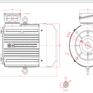
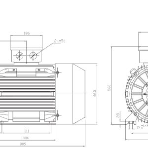
Motoare Electrice Trifazate 3000 RPM
Descoperiți gama noastră completă de motoare electrice trifazate de 3000 rpm, proiectate pentru a oferi performanță excepțională și fiabilitate în cele mai solicitante medii industriale și comerciale. Aceste motoare asincrone trifazate, cunoscute și ca motoare cu 2 poli, reprezintă soluția ideală atunci când aveți nevoie de viteză mare de rotație și eficiență energetică superioară.
Alimentarea tri
fazată asigură o funcționare lină, un cuplu de pornire ridicat și o durabilitate crescută, transformând aceste motoare în pilonul central pentru o multitudine de echipamente.
Ce Înseamnă un Motor de 3000 RPM?
Viteza de 3000 RPM (rotații pe minut) indică turația nominală a arborelui motorului la o frecvență a rețelei de 50 Hz. Această viteză ridicată este esențială pentru aplicații care necesită o acționare rapidă și o putere constantă sub sarcină. Pentru aplicații ce nu necesită o viteză atât de mare, o alternativă excelentă o reprezintă gama noastră de motoare electrice trifazate 1400 rpm.
Aplicații Diverse pentru Motoarele Trifazate de 3000 RPM
Datorită construcției robuste și a performanțelor de top, aceste motoare sunt indispensabile pentru:
- Ventilatoare și Suflante de Mare Viteză;
- Pompe Centrifugale;
- Compresoare cu Piston sau Șurub;
- Mașini de Prelucrare a Lemnului;
- Benzi Transportoare Rapide;
- Echipamente de Rectificat și Polizat;
Avantajele Cheie ale Motoarelor Noastre
- Eficiență Energetică: Proiectate pentru un consum redus de energie.
- Fiabilitate și Durabilitate: Construcție solidă pentru o viață lungă de funcționare.
- Performanță Ridicată: Putere constantă chiar și în condiții de sarcină grea.
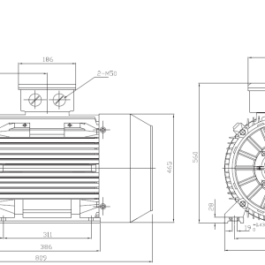
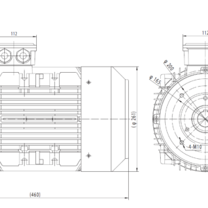
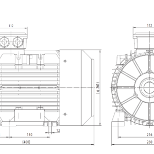
- Versatilitate: Disponibile cu prindere pe talpă (B3) sau cu flanșă (B5/B14).
Control Avansat al Turației și Accesorii Esențiale
Deși aceste motoare au o turație nominală fixă, viteza lor poate fi reglată cu precizie prin utilizarea unui echipament dedicat. Pentru un control total al vitezei și un plus de eficiență, recomandăm un convertizor de frecvență trifazat. De asemenea, în funcție de configurația sistemului, poate fi necesar și un convertizor de frecvență monofazat.
Cum să Alegeți Motorul Trifazat Potrivit?
Alegerea corectă a motorului este crucială pentru succesul aplicației dumneavoastră. Luați în considerare următorii factori:
- Puterea (kW): Asigurați-vă că puterea motorului corespunde cerințelor de sarcină.
- Tipul de Montare: Alegeți între prinderea pe talpă (B3) sau cu flanșă (B5/B14).
- Condițiile de Operare: Analizați mediul de lucru (praf, umiditate) pentru a alege gradul de protecție IP corect.
- Integrarea în Sistem: Pentru o transmisie eficientă a puterii și pentru a preîntâmpina vibrațiile, este esențială folosirea unor cuplaje elastice de calitate care să conecteze motorul la echipamentul acționat.
Aveți nevoie de ajutor?
Echipa eMotoare.ro vă stă la dispoziție cu consultanță tehnică specializată pentru a vă ajuta să găsiți motorul electric trifazat de 3000 rpm perfect adaptat nevoilor dumneavoastră. Explorați gama noastră de produse și beneficiați de cel mai bun raport preț-calitate. Comandați acum!

















































































